André's 8-bit pages
Thankfully hosted by 6502.org.
(by Google)

RDY-Generation for CMOS 65C02

This article describes a generic schematics for the generation of the RDY line used by the 65C02 processor to hold bus accesses when the device is not ready.

You think this is not necessary nowadays, where everything is way faster than the one or two MHz the 6502 runs at. Well, actually I recently found a chip that was too slow for my 2 MHz 65C02 system, so I developed this schematics.

Please note that the schematics works for a CMOS 65C02 only - not an NMOS 6502. This is due to two facts:

  1. The NMOS version requires that the RDY signal is asserted during Phi1, i.e. when Phi2 is low. In this phase the CPU sets up the address and control lines for the access that is performed at Phi2. This schematics asserts RDY at Phi2, which works with the CMOS version, that only requires the RDY 200ns before the end of Phi2.
  2. The NMOS version does not stop on write cylces. Instead it simply performs the current and all directly consecutive writes - up to three in total in a 6502 - and only stops on the next read cylce. This schematics does not handle the write problem with the NMOS chips, it simply asserts RDY for all accesses.
2010-01-03: Note that this IC is clocked by the select line and has no extra Phi2 line. So there is a need to deassert the select line when Phi2 goes low - otherwise the schematics could be much simpler!

This schematics describes how I attached the Philips P8584 I2C controller to a 65C02 system. I found that the chip worked well with the system running on 1 MHz, but not on 2 MHz. It only started working when I used RDY to halt the CPU for a cycle when accessing the chip.

This schematics creates the RDY signal, but a similar schematics can be used to create other clocked signals as well.

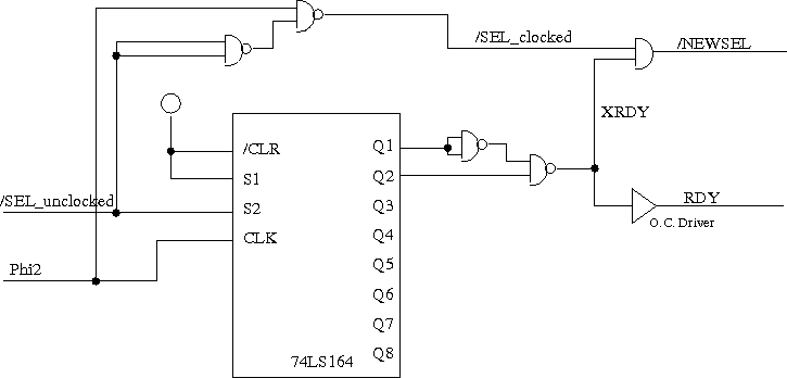
This section describes the signals as used in the schematics.

  • Phi2: The CPU clock signal. When it is high, the CPU has put valid address and data (in case of write) lines on the bus. When Phi2 is low the CPU changes the address lines. Read happens at the falling edge of Phi2.
  • /SEL_unclocked: This select signal is determined by decoding the CPU address lines. It goes low when the CPU puts the correct address for access of the device on the address lines. This line is mostly used for read accesses when the CPU expects the data at the falling edge of Phi2, and the device does not need any specific timing. This line can still be used when RDY is asserted.
  • /SEL_clocked: This line is the /SEL_unclocked line combined with the Phi2 clock. It is used for devices that need the Phi2 timing on write accesses. This line must be handled specially when RDY is asserted, as it goes inactive during Phi1.
  • XRDY: This line is the internal RDY signal. It is low when the device is accessed and the RDY line should be asserted for this access.
  • RDY: This is the CPU ready line.
  • /NEWSEL: This is the final select signal as replacement for the /SEL_clocked line. It can be used for a device that requires the Phi2 timing for the write access.

The following diagram shows the schematics

The main IC used for the generation is the shift register 74LS164. It is clocked with the Phi2 clock signal, and shifts the /SEL_unclocked signal through its output signals. With a combination of the output signals the new XRDY signals is created. The timing diagrams below show how it works.

This type of schematics can be used to create many types of signals, using different combinations of the shift register output values. Creating XRDY with Q1 and Q2 is only one example. Using Q3 instead of Q2 for example would make the RDY pulse two clock cycles long, not one. You could also use a higher shift register clock and shift the Phi2 signal through the shift register, and use combinations of the output signals e.g. for RAM timing signals.

This diagram shows the principle timing, but without RDY being pulled from XRDY.

Phi2 shows the central CPU timing signal. Ax,R/W shows where the address lines and R/-W are stable. /SEL_unclocked is the select signal that is derived from the CPU address lines. /SEL_clocked is this select signal combined with Phi2.

The Q1 and Q2 lines show how the /SEL_unclocked line is clocked through the shift register output lines. The XRDY line is cmbined from Q1 being low and Q2 being high.

The following diagram shows the signals with the RDY line asserted from XRDY.

The /SEL_clocked line now shows two active periods, as it is combined with Phi2 that is going inactive during Phi1. Therefore the /NEWSEL line is generated using the /SEL_clocked and XRDY line.

Note: it is important, that the Phi2 going high signals arrives a the AND-gate before the shift register and Q1/Q2 logic releases XRDY, so that there is no inactive spike on the /NEWSEL line. This is accomplished by the gate delay times.


Return to Homepage

Last modified: 2010-05-30
follow

Follow my 8-bit tweets on Mastodon (In new window) or Bluesky

discuss

Discuss my site on this 6502.org forum thread

(Forum registration required to post)

hot!

Dive into the retro feeling and build yourself a Micro-PET or a Multi-board Commodore 4032 replica

Need more speed? Speed up your 6502 computer with this 10 MHz 6502 CPU accelerator board

Interested in electronics design? Look at the design lesson I got from Bil Herd, the hardware designer of the C128

Want 64bit? - pimp the 6502 with the 65k processor design!