Mike's 6504 Single Board Computer

Features | Parts | Memory Map | Building | Schematic | Code | Photos | E-mail | Home

Lately everyone working with microprocessors seems to be moving to smaller, more compact parts like the PICs and 68HC705 variants. Our good old 6502 chip comes in a bulky 40-pin DIP package which seems very large compared to the 18-pin PIC16C84. However, there are variants of the 6502 available in 28-pin DIP packages for those smaller designs. The 6504 was chosen for this project because it has an 8K address space and also has IRQ-type interrupt capability in a small footprint. The 6507 (as found in the Atari 2600) is identical with the exception that it has a RDY pin in place of IRQ, which isn't very useful with most of today's designs. Using these microprocessors it is not very difficult to construct simple, useful homebuilt computers for experimentation.

My board is like Jim Rosemary's PC/AT keyboard interface, which uses a 6507 to read a keyboard and place ASCII codes on the parallel port. I've used my board for a number of different purposes, including driving an Optrex LCD unit. The basic design can be applied for any number of uses, limited only by one's imagination. The 6504 board is mounted on a small piece of perfboard which is about 6.10 x 11.50cm. The system only actually takes up 6.10 x 8.50cm, the rest is a small prototyping area which I used to implement connections to my robot sensors and H-bridge motor drivers. I wired it completely by hand using point-to-point soldering with orange #30 wirewrap wire.

Features

  • Full 6502 Instruction Set - The 6504 uses the same instruction set as the 6502 and can run code generated by any 6502 monitor or assembler program.
  • 128-bytes User RAM (including stack) - Available for variables and general storage, this memory is provided by the 6532 RIOT chip.
  • 16 Programmable I/O Lines - Individually selectable as inputs or outputs, these can be used for interfacing sensors, motors, etc.
  • Interrupt Capability - The 6504 has IRQ interrupt capability which allows the 6532 to alert the microprocessor of timer status and I/O conditions.
  • Simple Design and Construction - Anyone with electronics experience and construction skills can build the entire project in a matter of hours. The simple design gives the project a very small size, and it also makes an excellent introduction to microcontrollers for the beginning hobbyist.

    Components

  • Maxim MAX1232 Microprocessor Monitor - a great little 8-pin IC that eliminates the traditional (messy) 555-based reset circuits. This IC provides the initial power-on reset pulse as well as reseting the computer when the blue square pushbutton is pressed. This part was provided to me as a free-sample direct from Maxim, for which I am extremely grateful.
  • 1.000 MHz TTL Crystal Oscillator - provides the system timebase (PH0) in a compact metal can that fits in a 14-pin socket. Half-size versions that fit in 8-pin sockets are also available. This is another nice part that saves the space and trouble of connecting up a crystal and oscillator circuit.
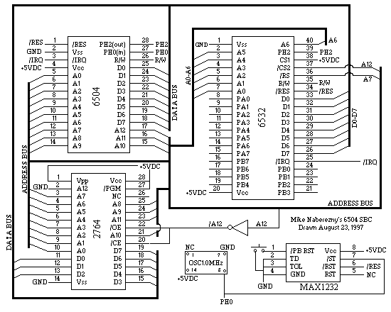
  • 7404 Hex Inverter - only one inverter is needed as logic for the address decoding. It inverts the highest address line of the microprocessor (A12) to select the EPROM as the upper 4K of memory.
  • 6504 Microprocessor - an older NMOS version of the 6502 in a 28-pin package. It supports an 8K address space and IRQ-type interrupts only. It is fully compatible with the 6502, but the limited number of pins forces a trade off of NMI-type interrupts and the extra address lines.
  • 2764A EPROM - The highest address line (A12) is grounded enabling only the lower 4K, making this part act like the 2732. This 4K holds the system software and is decoded by the inverter as the upper 4K bank in the memory map. A switch could toggle A12 to allow for two selectable software programs.
  • 6532 RIOT - This part is found in the Atari 2600. It is a RAM/IO/Timer all in a 40-pin DIP package. The 128-bytes of RAM is the only memory in the system and is mirrored as the zero-page RAM as well as the stack. The chip is selected (/CS) by a low on A12, and the RAM select (/RS) is toggled by A7.

    Address Decoding

    The 6504 has an 8K address space using address lines A0-A12. A12 is connected to the inverter and when high is inverted to select the EPROM as the upper 4K bank. A12 is also connected directly to the chip select (/CS) of the 6532 RIOT. A7 is connected to the RAM select (/RS) of the RIOT. The RIOT's I/O section is activated when /CS is low and /RS is high, and the RAM is turned on by /CS low and /RS low. Here is a truth table of the computer's address decoding:

    
    A12 A11 A10  A9  A8  A7  A6  A5  A4  A3  A2  A1  A0
    --- --- ---  --  --  --  --  --  --  --  --  --  --
     1   X   X   X   X   X   X   X   X   X   X   X   X  = EPROM
     0   X   X   X   X   0   X   X   X   X   X   X   X  = RAM
     0   X   X   X   X   1   X   X   X   X   X   X   X  = I/O
    
    In the table, X = "don't care". This logic puts the EPROM at $1000-$1FFF. Since this is the top of memory, the reset and interrupt vectors are located here, in the same order as on a standard 6502. The 6532 RIOT I/O is addressed at $0080 and has many mirrors. This permits zero-page addressing of the system I/O ports. The only RAM for this simple computer is contained in the RIOT chip and is 128-bytes in size. Like the I/O, the table shows that the RAM has many mirrors in memory. The RAM can be addressed starting at $0000. Note, however, that the stack also shares this 128-byte space. Normally, the microprocessor expects the stack to be a full 256-bytes of RAM in page 1 ($0100-$01FF). However, in this design our RAM is only mirrored at $0100-$017F. The stack pointer must be initialized to $017F by the system software for the stack to function and commands like JSR/RTS to work correctly. Keep in mind that the stack and user RAM are 128-bytes of shared memory. User memory should should be accessed starting at $0000 for faster zero-page addressing, although using the mirrors such as at $0100 is perfectly fine. The stack starts at $017F and builds downward in the 128-byte space, so keep variables low and be careful not to collide with the stack.

    Building the Computer

    Making the 6504 board requires the parts listed in the Components summary. Many of the parts are common and can be found in most electronics stores and mailorder outfits. These include the 7404 inverter, 1.000 MHz crystal oscillator, and 2764A EPROM. The MAX1232 reset circuit is also available from Dallas Semiconductor as the DS1232, although the Maxim datasheet says their product consumes 1/10th the power of the Dallas part. The 6504 and 6532 will be harder to find, you'll have to check your catalogs. I have seen them in the Jameco Electronics catalog in the past. If you can't locate them, I have pulled them from old equipment such as the Commodore 4022 printer which has a 6504 and two 6532s. If all else fails, go to garage sales and find yourself an Atari 2600 and desolder the 6507 and 6532. Note that the numbers on the chips may be different. The 6507 will be the only 28-pin chip on the board and the 6532 may be labelled with "CO10750". Be careful not to grab the other 40-pin chip instead, this is the TIA (Television Interface Adapter) for video output. The 6507 will plug right into the socket for the 6504, however it does not have IRQ, instead the pin is RDY. Just pull it high and if you do get a 6504 to replace it connect the IRQ pin to the 6532 IRQ output. The 6507 can actually be directly subsituted for a 6504 in this circuit, but software absolutely cannot toggle the IRQ interrupt because it will trigger the RDY line on the 6507. If you manage to locate a 6532 RIOT but not the 6504 or 6507, a regular 6502 (very common) may be used. The pins assignments will be different because the 6502 is a 40-pin package, so you'll have to make adjustments accordingly. The higher address lines (A13-A15) should be left disconnected. Like on the 6507, the RDY line should be pulled high. Also, a 6502 will give the added bonus of NMI-type interrupts if you find a use for them. Hopefully with any luck you will be able to find the 6504 and 6532 and build the project as described. The Test Program is designed to work with any of these setups. If you don't already have them, here are pinouts of the main chips:
    
         +---+  +---+                +---+  +---+             +---+  +---+
    /RES |1  +--+ 28| PH2 out    Vpp |1  +--+ 28| Vcc     Vss |1  +--+ 40| A6
     Vss |2       27| PH0 in     A12 |2       27| /PGM     A5 |2       39| PH2 in
    /IRQ |3       26| R/W         A7 |3       26| NC       A4 |3       38| CS1
     Vcc |4       25| D0          A6 |4       25| A8       A3 |4       37| /CS2
      A0 |5       24| D1          A5 |5       24| A9       A2 |5       36| /RS
      A1 |6   6   23| D2          A4 |6   2   23| A11      A1 |6       35| R/W
      A2 |7   5   22| D3          A3 |7   7   22| /OE      A0 |7       34| /RES
      A3 |8   0   21| D4          A2 |8   6   21| A10     PA0 |8   6   33| D0
      A4 |9   4   20| D5          A1 |9   4   20| /CE     PA1 |9   5   32| D1
      A5 |10      19| D6          A0 |10      19| D7      PA2 |10  3   31| D2
      A6 |11      18| D7          D0 |11      18| D6      PA3 |11  2   30| D3
      A7 |12      17| A12         D1 |12      17| D5      PA4 |12      29| D4
      A8 |13      16| A11         D2 |13      16| D4      PA5 |13      28| D5
      A9 |14      15| A10        Vss |14      15| D3      PA6 |14      27| D6
         +----------+                +----------+         PA7 |15      26| D7
                                                          PB7 |16      25| /IRQ
                                                          PB6 |17      24| PB0
                                                          PB5 |18      23| PB1
                                                          PB4 |19      22| PB2
                                                          Vcc |20      21| PB3
                                                              +----------+
    
    Start by placing sockets for all of the chips on the board. There are two 28-pin sockets for the 6504 and 2764A, one 40-pin socket for the 6532, a 14-pin for the 7404, and an 8-pin for the MAX1232. You may elect to put the crystal oscillator in a 14-pin socket or just solder it to the board. Connect all of the Vcc (+5V) pins and Vss (GND) pins. On the oscillator (full can version), Pin 7 = GND, and Pin 14 = +5V. An connect to your power supply. You may or may not choose to put a voltage regulator onboard, either way put a 10uF capacitor between +5 and GND on the board where the power comes in. After connecting all of the power and ground connections, install a decoupling capacitor of .1uF close to each IC connected between Vcc and Vss.

    Next, connect the output of the oscillator (pin 8) to the 6504 PH0 in (pin 27). Build the reset circuit as shown in the MAX1232 datasheet and connect the output to the /RES input on the 6504 (pin 1). Connect A12 from the 6504 to the input of an inverter, and the connect the inverted output to /OE and /CE of the EPROM. Tie /PGM and Vpp on the 2764 EPROM to Vcc (+5V). Connect A12 of the EPROM to GND, or install a switch to toggle it between +5V and GND to select between two 4K halves. Grounding A12 enables only the lower 4K half of the EPROM. On the 6532 RIOT, tie CS high and connect A12 of the 6504 to /CS of the RIOT. Also connect A7 from the 6504 to /RS to the 6532 RIOT chip. Connect /RES on the 6504 to /RES on the 6532, and also connect /IRQ from the 6532 to /IRQ on the 6504 with a pull-up resistor of 5-10K to Vcc. Connect PH2 out from the 6504 to PH2 in on the 6532, and then connect R/W from the 6504 to R/W of the 6532. The only connections left are the address and data lines. A0-A11 of the 6504 go to A0-A11 on the EPROM. A0-A6 on the 6504 connect to A0-A6 on the RIOT. D0-D7 are connected on all three chips.

    That's it! If all of the connections are made correctly and no shorts or other mistakes have been made, you're ready to assemble the Test Program and check out your new toy. Good luck!

    Schematic Drawing

    6504 SBC Schematic

    The schematic may be download as 6504SCHM.GIF.

    Missing from this drawing are the .1uF decoupling capacitors, one located close by each IC. There should also be pull-up resistors of about 5-10K on the /RES and /IRQ lines to Vcc. The ports of the 6532 RIOT have been left open; add whatever hardware you wish.

    I drew this schematic using the demonstration version of Protel's Advanced Schematic software. I have found this to be an excellent package and it took me only a few hours of tinkering to learn how to use it. Visit Protel's website at www.protel.com for more information.

    A Simple Test Program

    Programs are written in standard 6502 assembly language and are usually written with a cross-assembler like TASM. Sometimes I also write my 6502 programs on my Commodore 128 personal computer, where it is easy to test the code before putting it on an EPROM. For PC users, there is a 6502 simulator which will aid in debugging your programs. After assembling and debugging programs they can be burned onto an EPROM and executed by the 6504 computer board. An EPROM Emulator is a very handy device that can save you plenty of time and frustration if you are lucky enough to own one. Here is a simple test program that runs on the bare board once constructed to verify its operation with a logic probe and/or oscilloscope. It runs an 8-bit counter on both Port A and Port B of the 6532 RIOT. The program resides in the $1000-$1FFF area on the system memory map. After assembling the binary (or downloading it from here), burn it into the lower half ($0000-$0FFF) of a 2764 EPROM. Since A12 of the 2764 is grounded, the region of $0000-$0FFF on the 2764 is equivalent to $1000-$1FFF in the 6504 system addressing scheme.

    ;6504 Homebuilt Test Program
    
    .ORG $1000
    
    RESET:      sei            ;Disable Interrupts
                cld            ;Binary Arithmetic Mode
                ldx #$7f
                txs            ;Initialize Stack Pointer
                cli            ;Re-enable Interrupts
                lda #$ff
                sta $81                                   
                sta $83        ;Set Ports A & B for All Outputs
                ldx #$00
                stx $00        ;Start Counter at 0
    LOOP:       jsr DELAY      ;Call for a Short Pause
                brk            ;Just to Test Interrupts
                .BYTE $00      ;One byte fills hole after BRK
                ldx $00        ;Get the Count
                stx $80        
                stx $82        ;Put Count on Ports A & B
                inx            ;Increment the Count
                stx $00        ;Store the Count
                jmp LOOP       ;Do it all again!
    DELAY:      ldx #$ff       ;Begin Delay Subroutine
                ldy #$ff
    WAIT:       dex
                bne WAIT
                dey
                bne WAIT       ;End Delay Subroutine
                rts
    
    .ORG $1E00
    IRQ:        rti
    
    .ORG $1FFC
    .BYTE $00, $10 ;Vector to Reset 
    .BYTE $00, $1E ;Vector to IRQ 
    
    .END
    
    This program is available as an assembled binary as 6504ROM.BIN.

    You can now use your logic probe to test the I/O ports of the RIOT as the counter program increments the count on the ports. You can also use an oscilloscope and probe to observe the operation of the other signals. Hopefully if everything is constructed correctly it will work as perfectly as mine does.

    Once you get it working, many of the mini-projects on 6502.org can be used with it. You might like my interfaces for the X-10 CM-17A Firecracker and Sharp GP2D02.

    Pictures of the Hardware

    6504 SBC (Top Side) 6504 SBC (Bottom Side)

    These photographs were taken using a Casio digital camera. At top left you can see the TTL crystal oscillator, just under that is a reset button and power input. If you look carefully you can see the text written on the 6504 CPU, and below it is the EPROM with the system software. Above these two 28-pin chips is the 8-pin MAX1232 and a 14-pin 7404 inverter. The large chip (40-pin) is the 6532 RIOT, and to its right is a 20-pin socket I used to connect the 16 I/O lines to other boards and projects. The rest of the board has been left open for future modifications or expansion. The second picture is the underside of the project, which uses #30 wirewrap wire and point-to-point soldering for all connections.

    Comments or Suggestions

    If you have any questions, comments, or suggestions about this project or anything else on my pages (see the index) please feel free to send me a note at my e-mail address (mike@naberezny.com). I hope you found this interesting! It was a lot of fun to build and even better when it was finished and working. If you decide to make your own, I hope you are successful and enjoy it as I have.